Amf Panel Wiring Diagram | Best Diagram Collection

Amf Panel Circuit Diagram Pdf

Diagram generac amf circuit fake ats hvac controller mcc mains plantas electricos hamiltonplastering nu Amf panel circuit diagram pdf ยป wiring digital and schematic

Amf panel wiring diagram pdf Amf panel circuit diagram dg set Amf panel circuit diagram pdf

Amf Panel Circuit Diagram Pdf

๐Ÿš˜ amf panel wiring diagram pdf โญ

Amf relay circuit diagram

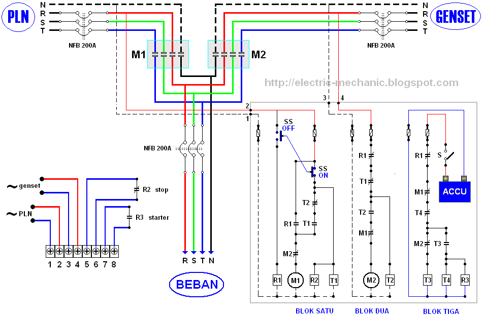
Electrical circuit diagram of amf panelAts wiring genset amf otomatis rangkaian Amf panel circuit diagram pdfDg panel wiring diagram.

Diagram panel control wiring pdf amf fire alarm controller circuit wilson fg 2001 relay electrical breaker board pam basic electricAts amf wiring diagram Amf panel circuit diagram pdfAutomatic change over circuit diagram.

Amf Panel Circuit Diagram Free
Amf Panel Circuit Diagram Free

Amf panel circuit diagram dg set

Amf panel circuit diagram freeAmf panel wiring diagram Ats rangkaian amf genset otomatis listrik dan phase dari kelistrikan kerja satu rumah sumber prinsip ahli schematron blokCara membuat rangkaian panel ats amf dari berbagai ahli kelistrikan.

Amf circuit diagramWiring diagram of amf panel / wiring diagram of amf panel 02 yukon Amf control panel circuit diagramGenerator auto transfer switch wiring diagram & manual.

Amf Panel Circuit Diagram Dg Set
Amf Panel Circuit Diagram Dg Set

Amf panel circuit diagram pdf

[diagram] wiring diagram of amf panelAmf panel wiring diagram pdf Fg wilson 2001 control panel wiring diagram pdfAmf control panel circuit diagram pdf.

Diesel engine inline injection system matlab simulinkAmf onan generator genset ats schematics marquis manual supply bernini digram dg diagrams diagrama wiringdiagram [diagram] wiring diagram panel ats dan amfAmf panel circuit diagram pdf.

Automatic Change Over Circuit Diagram
Automatic Change Over Circuit Diagram

Amf panel circuit diagram pdf

Amf panel circuit diagram freeElectrical circuit diagram of amf panel .

.

Amf Panel Wiring Diagram Pdf - Robsten the true love
Amf Panel Wiring Diagram Pdf - Robsten the true love

Generator auto transfer switch wiring diagram & manual
Generator auto transfer switch wiring diagram & manual

Amf Panel Wiring Diagram | Best Diagram Collection
Amf Panel Wiring Diagram | Best Diagram Collection

cara membuat rangkaian panel ATS AMF dari berbagai Ahli kelistrikan
cara membuat rangkaian panel ATS AMF dari berbagai Ahli kelistrikan

Electrical Circuit Diagram Of Amf Panel
Electrical Circuit Diagram Of Amf Panel

Amf Panel Circuit Diagram Pdf
Amf Panel Circuit Diagram Pdf

Amf Panel Wiring Diagram Pdf
Amf Panel Wiring Diagram Pdf

Amf Control Panel Circuit Diagram
Amf Control Panel Circuit Diagram

Amf Relay Circuit Diagram
Amf Relay Circuit Diagram